TT918
TT918
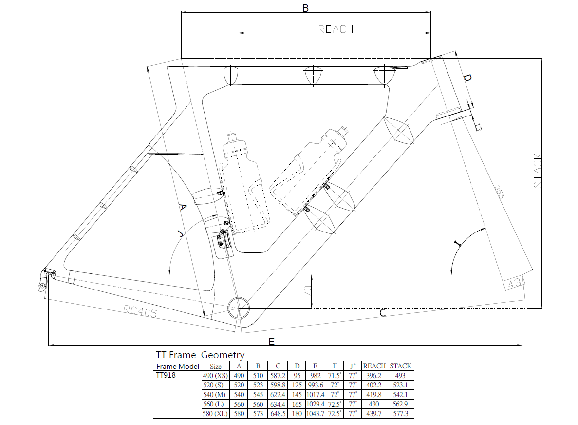
TT918是一款全新的計時車,車架的每一部位都符合國際自由車總會(法語:Union Cycliste Internationale,英語:International Cycling Union,簡稱:UCI)的製造標準(3:1),TT918全新的計時車使用了高級碳纖維材質及專業空氣力學設計,壓入式BB86提高了強度和動力傳遞,車架走線採用全走內線,整體上有整潔的外觀和低風阻的功能,在測試上也都有達合格安全標準。期待選手們帶領冠軍。
- 尺寸: 52 CM
- 頭管:11/8" – 1.5" Tapered
- 前叉:RC82
- BB外殼:Shimano BB86
- 相容: TRIGON SP177 seat post, Shimano DI2
-frame-geometry.png)