關於我們
技術創新
客製化服務
設計討論
設計確認
測試確認
模具和工具確認
第一批樣品
大量生產
產品介紹
車架
前叉
車把
座墊
豎桿
座管
輪圈
配件
品質保證
TPS Lean Management(精實生產管理系統)
iTECERP系統
LT Lead Time Optimize(交貨時間優化)
聯絡我們
語系
English
繁體中文
簡體中文
繁體中文
English
繁體中文
簡體中文
首頁
Products
車把
MTB Bar
HB107
HB107
HB107
產品敘述
特點
•
超大
的全
碳
車把
的
MTB
XC
•
HB
107
:
平
•
HB
108
:
立管
•全
金星
C7
™
Hipact
™
碳
纖維
FDC
™
•卓越的
減震
性能
和
轉向精確性
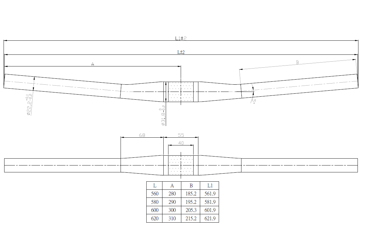
•
寬度
:
平
580毫米
/
轉接
660毫米
•
閥桿夾
:
Ø31.8
過大
•重量
:
平
135克
/
轉接
165克
相關產品
HB111
HB102
HB115
HB103 HB106
HB103UL HB106UL
HB101